

產品特點:雷亞架立桿、橫桿、斜桿軸線匯交于一點,屬二力桿件,傳力路徑簡潔、清晰、合理,結構穩定可靠,且整體承載力高;各桿件使用的鋼號、材質合理,物盡其用,減少用鋼量,省材節能。
13095991468
產品詳情
01部件名稱:雷亞架立桿
產品描述: 桿上每隔0.50m焊有可扣接8個方向扣接頭的八邊形連接盤,立桿一端焊接有連接套筒,用于固定立桿。
02 部件名稱:水平橫桿
產品描述:兩端焊接有扣接頭,且與立桿八角盤扣接的桿件。
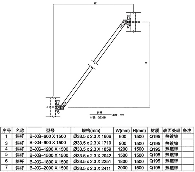
03部件名稱: 斜桿
產品描述:兩端設有扣接頭,與立桿上的連接盤扣接的桿件,保持架體結構穩定,其長度由立桿和橫桿的長度確定。
04部件名稱:可調底座
產品描述:安裝在立桿低端可調節高度的底座
05 可調托座
產品描述: 安裝在立桿頂端可調節高度的頂托